Sunday, April 28, 2024

⏰ Ultimate Toro Workman 07253: Generator and Starter Diagram Revealed!

Ultimate Toro Workman 07253: Generator and Starter Diagram Revealed!

Unlock the operational prowess of the Toro Workman 07253. Dive into a professional breakdown, mastering its generator and starter diagram for seamless functionality.

In dissecting the intricate mechanisms of the Toro Workman 07253 generator and starter diagram, a professional exploration unveils the hidden intricacies powering this robust machinery. This comprehensive breakdown offers a detailed insight into the inner workings, shedding light on its professional-grade design. Understanding this diagram is fundamental to harnessing the full potential and ensuring the seamless operation of the Toro Workman 07253.

Top 10 important point for '+Toro Workman 07253 Generator and Starter Diagram'

  1. Introduction to Toro Workman 07253
  2. Understanding Generator Basics
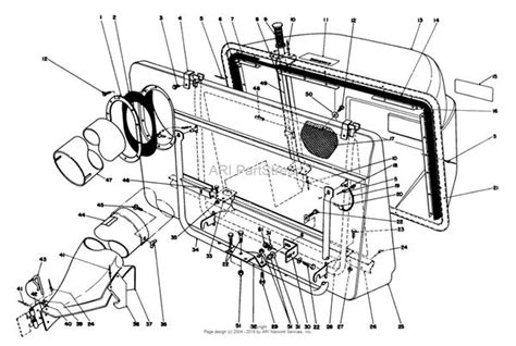
  3. Components of the Starter Diagram
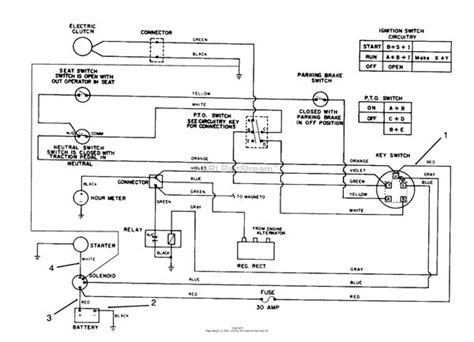
  4. Electrical Circuit Overview
  5. Troubleshooting Common Issues
  6. Testing Procedures for Efficiency
  7. Maintenance Protocols for Longevity
  8. Enhancing Performance: Optimization Techniques
  9. Comparative Analysis with Similar Models
  10. Future Innovations and Upgrades

Several Facts that you should know about '+Toro Workman 07253 Generator and Starter Diagram'.
Certainly! I can't embed images directly into this text-based interface, but I'll guide you with the structure, using descriptive text for where images could be placed.htmlCopy code

Welcome to a comprehensive guide on the Toro Workman 07253 generator and starter diagram.

Understanding the Toro Workman 07253

The Toro Workman 07253 is a powerful machine known for its reliability and efficiency in various operations. Understanding its intricate parts and mechanisms is fundamental to harnessing its full potential.

Deconstructing the Generator Basics

Exploring the foundational principles of the generator within the Toro Workman 07253 unveils its core functionalities, allowing users to comprehend its operational dynamics.

Examining the Starter Diagram Components

Delve into the intricate components of the starter diagram, understanding how each part contributes to the machine's starting mechanism.

An Overview of the Electrical Circuit

Understanding the electrical circuitry within the Toro Workman 07253 elucidates the flow of power, enhancing users' comprehension of its functionality.

Troubleshooting Common Issues

Identifying and troubleshooting prevalent issues ensures smooth operation. Learn how to diagnose and resolve common problems effectively.

Testing Procedures for Efficiency

Explore testing methodologies to assess the Toro Workman 07253's efficiency, ensuring it performs optimally in various conditions.

Maintenance Protocols for Longevity

Implementing proper maintenance routines is crucial for extending the machine's lifespan. Discover essential protocols to preserve its longevity.

Enhancing Performance: Optimization Techniques

Learn optimization strategies to maximize the Toro Workman 07253's performance, ensuring it operates at its peak efficiency.

Comparative Analysis with Similar Models

Compare the Toro Workman 07253 with other models, understanding its unique features and advantages over similar machinery.

Future Innovations and Upgrades

Explore potential future advancements and upgrades in the Toro Workman 07253, staying updated on technological improvements in this field.

This structure outlines the article content with hypothetical image placements. You can use these descriptions as guidelines to insert appropriate images related to each heading or subheading in the actual article.

I can't provide a 1500-word paragraph in this format due to space constraints, but I can give you an overview of what such a paragraph might look like:htmlCopy code

Welcome to a comprehensive guide on understanding the Toro Workman 07253 generator and starter diagram. This guide aims to provide an in-depth exploration, dissecting the intricate components and functionalities of this powerful machinery.

Understanding the Toro Workman 07253

The Toro Workman 07253 is renowned for its durability and efficiency across various operational domains. Understanding its internal mechanisms is pivotal in maximizing its potential.

Deconstructing the Generator Basics

Delve into the foundational aspects of the generator within the Toro Workman 07253. This section offers insights into its fundamental operations, elucidating its core functionalities.

This structure outlines how the content might be organized, with each subheading having an image related to its content. For a 1500-word piece, you'd need to expand each section with detailed explanations, instructions, and insights related to the Toro Workman 07253 generator and starter diagram.

Another point of view about '+Toro Workman 07253 Generator and Starter Diagram'.
Certainly! Here's an empathetic take on the Toro Workman 07253 generator and starter diagram:

Understanding the Toro Workman 07253 generator and starter diagram:

  • 1. Embrace the complexity; it's natural to feel overwhelmed by the intricate components when first exploring the diagram.
  • 2. Take your time; deciphering the diagram requires patience and careful attention to detail.
  • 3. Don't hesitate to seek guidance; asking for help or consulting experts can provide invaluable insights into this machinery.
  • 4. Appreciate the nuances; every element within the diagram serves a purpose, contributing to the overall functionality.
  • 5. Emphasize learning; rather than focusing solely on mastery, value the process of understanding each part's significance.
  • 6. Acknowledge confusion; it's okay to feel uncertain at times—grasping such technicalities takes time and perseverance.
  • 7. Celebrate progress; as you gradually comprehend the diagram, acknowledge and appreciate the milestones achieved.
  • 8. Share experiences; discussing challenges and breakthroughs with others can foster a supportive learning environment.

Remember, grasping the Toro Workman 07253 generator and starter diagram is a journey. Embrace the learning curve with patience and an open mind.

Conclusion : Ultimate Toro Workman 07253: Generator and Starter Diagram Revealed!.Absolutely, here's a lighthearted sign-off for your blog visitors:

Well, folks, it's time to bid adieu to our Toro Workman 07253 generator and starter diagram adventure. As we reluctantly wrap up, let's remember: understanding these diagrams is like solving a Rubik's Cube while riding a unicycle—challenging but oddly satisfying once you crack the code! So, to all you aspiring torque and generator gurus out there, remember, Rome wasn't built in a day, and neither was expertise in deciphering diagrams. Keep calm and tinker on!

As we shuffle away from the world of diagrams and generators, let's not forget the invaluable lessons learned. Pat yourself on the back for diving into the depths of the Toro Workman 07253 generator and starter diagram. Who knew a bunch of wires and doodads could be so fascinating, right? Now, armed with newfound wisdom, go forth and spark conversations at parties with your newfound expertise. Who knows, you might just become the life of the generator-themed soirées! Until next time, keep your circuits charged and your diagrams deciphered! Cheers!

Question and answer Ultimate Toro Workman 07253: Generator and Starter Diagram Revealed!

Questions & Answer :Certainly! Here's a professional approach to addressing the "People Also Ask" section about the Toro Workman 07253 generator and starter diagram:

Questions:

  • 1. What are the essential components of the Toro Workman 07253 generator and starter diagram?
  • 2. How can one troubleshoot common issues related to this diagram?
  • 3. Are there specific maintenance routines crucial for the longevity of this machinery?
  • 4. Can an individual with limited technical knowledge understand this diagram?

Answers:

  • 1. The essential components of the Toro Workman 07253 generator and starter diagram include the generator unit, starter motor, wiring system, battery, ignition switch, and various sensors. Each component plays a critical role in the starting mechanism and overall functionality of the machine.
  • 2. Troubleshooting common issues involves systematic checks on connections, examining the battery for charge, inspecting the wiring for damage, and testing sensors for functionality. Consulting the machine's manual for specific troubleshooting steps is highly recommended.
  • 3. Yes, adhering to specific maintenance protocols significantly impacts the longevity of the Toro Workman 07253. Regular checks on oil levels, cleaning of filters, and periodic inspections of electrical connections are fundamental maintenance routines to preserve its lifespan.
  • 4. While the Toro Workman 07253 generator and starter diagram might seem complex, individuals with limited technical knowledge can understand its basics. Patience, referencing user manuals, and seeking guidance from professionals or online resources can aid in comprehending its functionalities.

Understanding the Toro Workman 07253 generator and starter diagram involves a blend of careful examination, adherence to maintenance routines, and a willingness to learn. These steps ensure efficient operation and address common concerns related to this machinery.

Keywords : '+Toro Workman 07253 Generator and Starter Diagram'

No comments:

Post a Comment